返回顶部

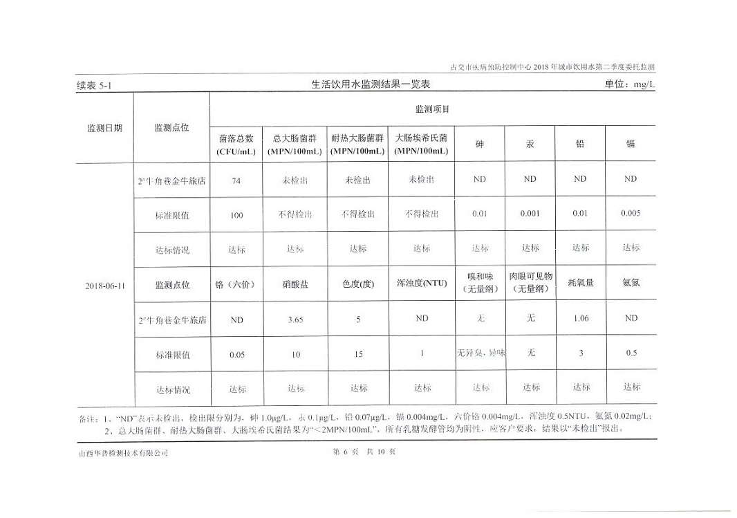
古交市用户水龙头水质安全状况信息公开表(2018年第二季度)

时间:2018-07-05      浏览次数:        来源:古交市政府       字号:[ ]

 

主办单位: 山西省古交市人民政府  网站维护: 古交市政府信息中心  网站地图
备案号:晋ICP备12000920号-1 晋公网安备 14018102000103号
技术支持: 泰得科技 访问量:
古交市政府网站标识码:1401810001